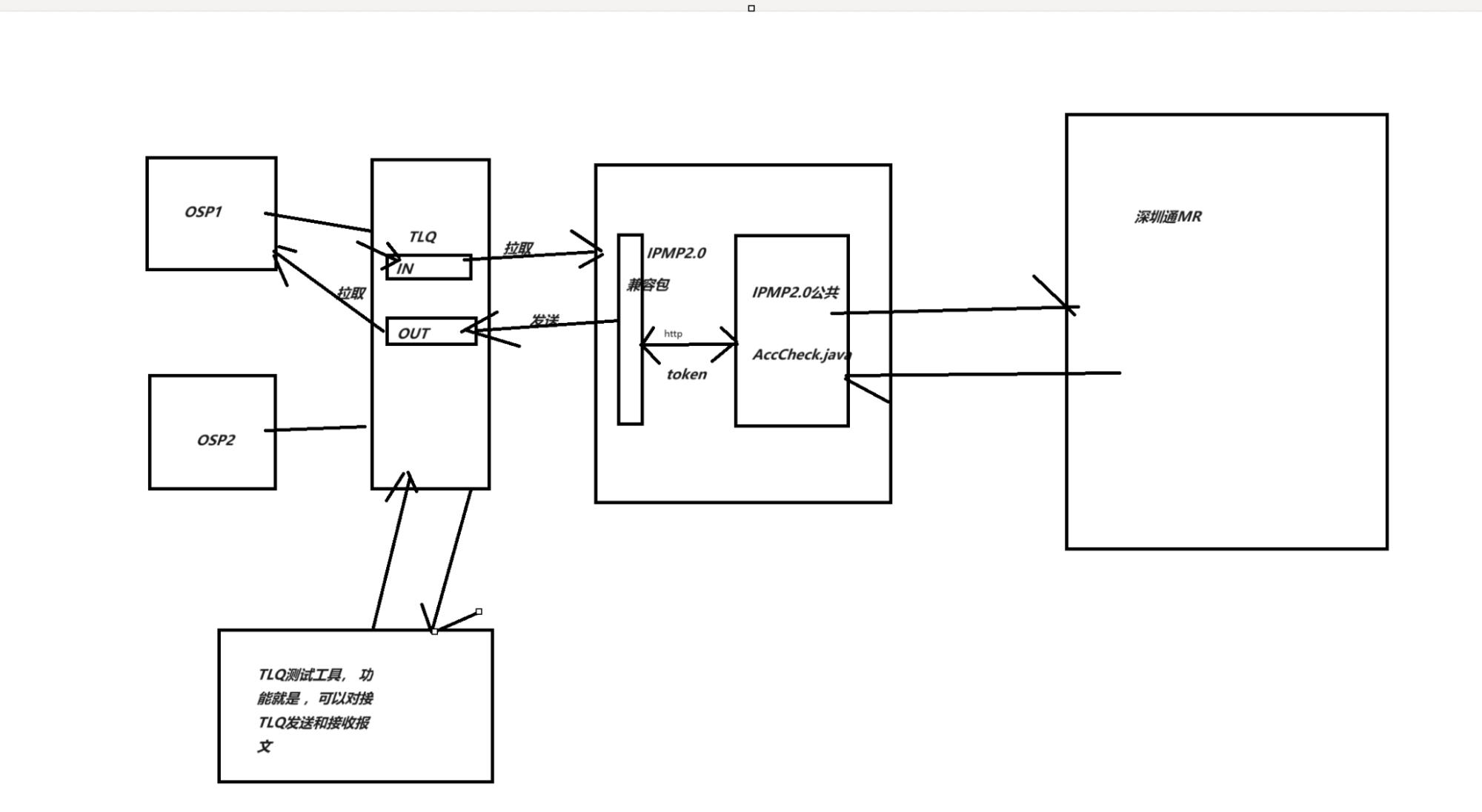
总流程※
上游OSP通过TLQ(消息队列)跟统一支付2.0交互,统一支付2.0会修改ID之类的内容之后与深圳通MR交互,反方向也类似,深圳通MR会不定时发送报文到 统一支付2.0,然后统一支付2.0需要把这个报文丢到TLQ里

配置※
TLQ客户端※
安装比较麻烦,直接用邓霖涛部署好的
统一支付2.0※
新建连接用户※
新建用于TLQ的连接用户得到token
配置TLQ※
拷贝并重命名/jboss/wildfly-11.0.0.Final-EIPMP2.0/bin/conf/ipmp2_support-full.json到同目录ipmp2_support.json
示例如下,可以连接多个TLQ,其中host是TLQ地址,in和out分别是TLQ客户端分配的队列 名称,tokenCode是统一支付连接用户的token
{
"TONGLINKQ": {
"TONGLINKQ_1": {
"host": "10.168.130.1:10024",
"qcuName": "qcu1",
"inQueueName": "lq1",
"outQueueName": "lq2",
"exceptionHandlerLogFile":"",
"exceptionHandlerSleepTime": "2000",
"charset": "GBK",
"tokenCode": "waorLBtWmnySuOg0ktm"
},
"TONGLINKQ_2": {
"host": "10.168.130.1:10024",
"qcuName": "qcu1",
"inQueueName": "lq3",
"outQueueName": "lq4",
"exceptionHandlerLogFile":"",
"exceptionHandlerSleepTime": "2000",
"charset": "GBK",
"tokenCode": "c2xkBA1HAvYtIph4BBT"
}
}
} 配置深圳通前置机※
按照普通托管行那样配就行
配置前置机路由※
因为响应报文需要知道要发给哪个上游系统,所以需要把前置机与连接用户绑定,需要一一绑定,不可多选
这里的业务定义“对账业务”默认是不可见的, 需要 先修改后台表(暂时不知道现场如何改的,先手动改)
update EPG_DICTIONARY set IS_ALLOW_VIEW = '1' where DICT_CODE = '00140040';
对账业务处理线程※
需要插入处理线程工作参数启用对账处理线程
insert into EPG_WORK_PARAM (ID, PARAM_TYPE, BANK_CODE, PARAM_CODE, PARAM_NAME, PARAM_VALUE, IS_ALLOW_EDIT, IS_ALLOW_VIEW, REMARK)
values (S_EPG_PRIMARY_KEYID.NEXTVAL, '00', null, '0007_40', '分发处理线程数量(对账)', '2', '0', '1', '分发处理线程数量(对账)');
测试※
下载测试工具:prj.rar
运行托管业务测试.bat
点击右下角tonglinkq工具
配置host以及通道名称连接tonglinkq
发送的对账报文里有<BANKCODE>字段,需要参考统一支付的数据字典0034
select * from EPG_DICTIONARY where PARENT_CODE = '0034';比如这里有一个招行的1913报文
<IN>
<FILE_TYPE>1913</FILE_TYPE>
<FUND_ID>123</FUND_ID>
<REPORT_TYPE>01</REPORT_TYPE>
<BEGIN_DATE>19990326</BEGIN_DATE>
<END_DATE>19990326</END_DATE>
<DEPT_CODE>0001</DEPT_CODE>
<CERT_ID>DZF0026C02</CERT_ID>
<SERIAL_NO>1234567890123</SERIAL_NO>
<BANKCODE>0200D000</BANKCODE>
<RECORD>
<F_CODE>0001</F_CODE>
<F_CUR_VALUE>33.392600</F_CUR_VALUE>
<F_END_VALUE>34.463200</F_END_VALUE>
</RECORD>
</IN> 测试步骤,深圳通 → tonglinkq时※
- 使用深圳通客户端把对账报文推到深圳通
- 统一支付2.0会从深圳通拉取这个对账报文,然后推给tonglinkq
- 再由tonglinkq测试客户端获取这个对账报文。
- 查看tonglinkq得到的对账报文是否正确
测试步骤,tonglinkq → 深圳通时※
- 使用tonglinkq测试客户端把对账报文推到深圳通
- 统一支付2.0会把这个对账报文,推给深圳通
- 再由深圳通客户端获取这个对账报文。
- 查看深圳通客户端得到的对账报文是否正确